- Rigg & Segel
- Tauwerk & Bändsel
- Ankern & Festmachen
- Rumpf & Deck
- Kajüte & Komfort
- Farben & Bootsbau
- Elektrik & Motor
- Pumpen & Sanitär
- Sicherheit & Funk
- Navigation & Lektüre
- Berufsschifffahrt
Schiffsschlösser
In unserem Schlössersortiment unterscheiden wir Einsteck- und Kastenschlösser in drei Größenkategorien: zierliche Yachtschlösser, Yachtschlösser und Schiffsschlösser. Unsere Schiffsschlösser sind sehr schwer und werden oft auf Arbeits-, und Berufsschiffen verwendet. Alle Artikel der Kategorie Schiffsschlösser können miteinander kombiniert werden – unter Berücksichtigung des Schlosstyps (Einsteck- oder Kastenschloss, mit Buntbartschloss oder Profilzylinder). Zur Auswahl des richtigen Schloss-Tpys gemäß DIN beachten Sie bitte unser PDF unter "Downloads und Informationen".
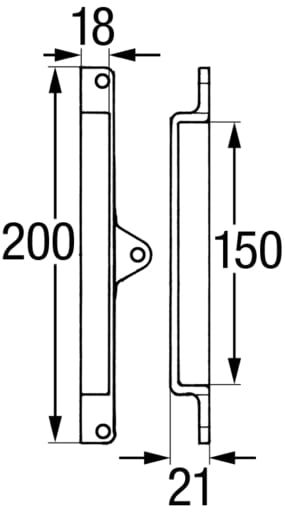
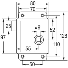
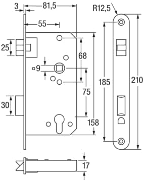
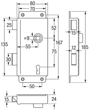
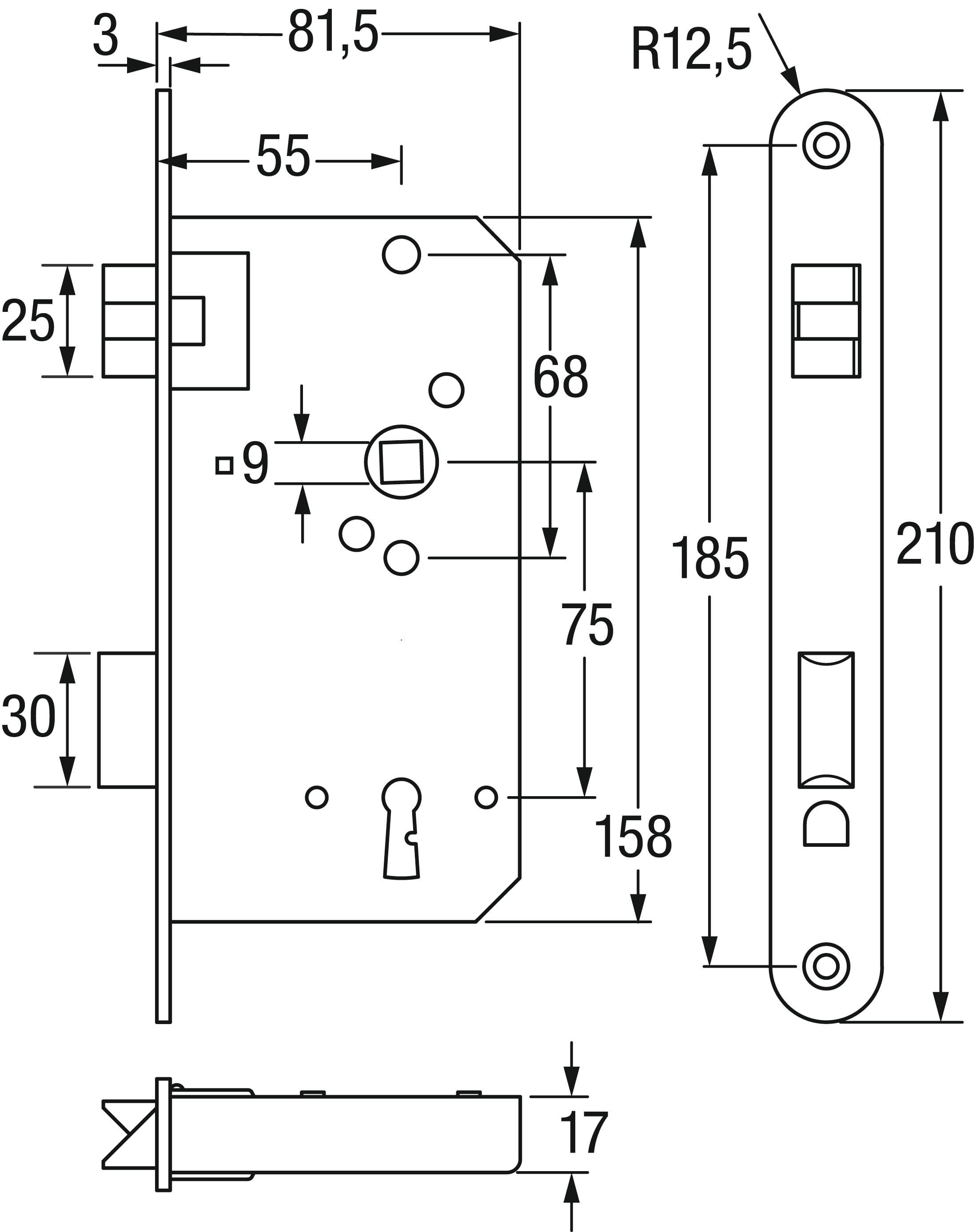
Wichtige Maße für unsere Schiffsschlösser:
- Das Dornmaß des Schlosses beträgt 55 mm. Es beschreibt den Abstand zwischen der Außenkante des Stulps (Außenkante des Schlosses) und der Mitte des Schlüssellochs.
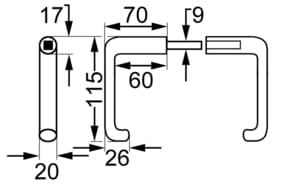
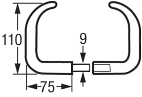
- Die Drücker haben einen 9 mm Vierkant.
- Die Schilder haben von der Mitte des Drückerlochs bis zur Mitte des Schlüssellochs einen Abstand von 75 mm.



























































































