- Rigg & Segel
- Tauwerk & Bändsel
- Ankern & Festmachen
- Rumpf & Deck
- Kajüte & Komfort
- Farben & Bootsbau
- Elektrik & Motor
- Pumpen & Sanitär
- Sicherheit & Funk
- Navigation & Lektüre
- Berufsschifffahrt
























ab 95,00 €*
95,00 €*
Preise inkl. MwSt. zzgl. Versandkosten
Schweres korrosionsbeständiges Schiffsschloss gem. DIN 81301 B aus Messing (Federn aus Edelstahl) mit geradem Stulp und Normalfalle, geeignet für Innen- und Außentüren. Das Schloss ist vorgerichtet für einen Profilzylinder. Die sichtbaren Oberflächen sind poliert oder verchromt.
Das Schloss hat vier Zuhaltungen.
Schlossnuss für Vierkant: 9 mm.
Dornmaß: 55 mm.
Abstand: 75 mm.
Der Stulp hat eine spezielle Öffnung zum Einhaken eines Sperrhakens (dieser muss separat bestellt werden), so dass die Tür zur Lüftung in geöffneter Stellung abgeschlossen werden kann.
Ein Schließblech oder Schließwinkel und der Profilzylinder muss jeweils separat bestellt werden.
Zur Auswahl des richtigen Schloss-Tpys beachten Sie bitte unser PDF unter "weitere Informationen".
Art-Nr. | Ausführung | Typ | Preis (Stück) | Lieferzeit | Merken | Kaufen |
---|
Downloads
Downloads
Schweres korrosionsbeständiges Schiffsschloss gem. DIN 81301 B aus Messing (Federn aus Edelstahl) mit geradem Stulp und Normalfalle, geeignet für Innen- und Außentüren. Das Schloss ist vorgerichtet für einen Profilzylinder. Die sichtbaren Oberflächen sind poliert oder verchromt.
Das Schloss hat vier Zuhaltungen.
Schlossnuss für Vierkant: 9 mm.
Dornmaß: 55 mm.
Abstand: 75 mm.
Der Stulp hat eine spezielle Öffnung zum Einhaken eines Sperrhakens (dieser muss separat bestellt werden), so dass die Tür zur Lüftung in geöffneter Stellung abgeschlossen werden kann.
Ein Schließblech oder Schließwinkel und der Profilzylinder muss jeweils separat bestellt werden.
Zur Auswahl des richtigen Schloss-Tpys beachten Sie bitte unser PDF unter "weitere Informationen".
Beschreibung
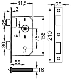
Schweres korrosionsbeständiges Schiffsschloss gem. DIN 81301 B aus Messing (Federn aus Edelstahl) mit geradem Stulp und Normalfalle, geeignet für Innen- und Außentüren. Das Schloss ist vorgerichtet für einen Profilzylinder. Die sichtbaren Oberflächen sind poliert oder verchromt.
Das Schloss hat vier Zuhaltungen.
Schlossnuss für Vierkant: 9 mm.
Dornmaß: 55 mm.
Abstand: 75 mm.
Der Stulp hat eine spezielle Öffnung zum Einhaken eines Sperrhakens (dieser muss separat bestellt werden), so dass die Tür zur Lüftung in geöffneter Stellung abgeschlossen werden kann.
Ein Schließblech oder Schließwinkel und der Profilzylinder muss jeweils separat bestellt werden.
Zur Auswahl des richtigen Schloss-Tpys beachten Sie bitte unser PDF unter "weitere Informationen".
Downloads
Ähnliche Artikel
Weitere Produkte aus der Kategorie Schiffsschlösser
Zuletzt angesehene Artikel